一、产品说明
本过滤器本过滤器安装在油泵吸油口处,用以保护油泵及其它液压元件,以避免吸入污染杂质,有效地控制液压系统污染,提高液压系统的清洁度。
本过滤器可直接安装在油箱侧边、上部或底部,吸油筒体浸入油箱内液面以下,过滤器滤头露在油箱外,并设有自封阀、旁通阀、滤芯污染堵塞发讯器等装置,使更换滤芯和清洗滤芯时油箱内油液不会流出,本产品设计新颖,安装方便,通油能力大,阻力小,清洗或更换滤芯方便等优点。


二、性能特点
1、安装连接方便,简化系统管路
本过滤器可直接安装在油箱侧边、底形或上部,过滤器滤头露在油箱外,吸油筒体浸入油箱内液面以下,出油口设有管式、法兰式连接,过滤器内设置自封阀装置,使管路省去装截止阀等其它管件,从而使管路简化,安装方便。
2.、设置自封阀,使更换、清洗滤芯或维修系统非常方便
当更换、清洗滤芯或维修系统时,只需旋开过滤器端盖(清洗盖),此时自封阀会自动关闭,隔绝油箱油路,使油箱内油液不会向外流出,从而使清洗、更换滤芯或维修系统非常方便,如顶开自封阀又可作油箱向外放油之用。
3.具有滤芯污染发讯器与油路旁通阀,提高了液压系统的可靠性
当滤芯被污染物堵塞到出油口真空度为0.018MPa时,发讯器便发出讯号,应及时更换或清洗滤芯。若此时不能马上停机或无人来更换滤芯时,在滤芯上部的油路旁通阀会自动开启(开启值为: 真空0.02MPa),以避免油泵出现吸空故障。但此时应停机更换或清洗滤芯,以保持液压系统清洁度,提高液压系统的可靠性。
三、型号说明

|
型号 |
公称流量 |
过滤精度 |
通径(mm) |
压力损失(MPa) |
发讯装置 |
连接方式 |
滤芯型号 |
|
|
(V) |
(A) |
|||||||
|
TF-25×*L- |
25 |
80
100
180 |
15 |
<0.01 |
12 24 36 220 |
2.5 2 1.5 0.25 |
螺纹 |
TFX-25×* |
|
TF-40×*L- |
40 |
20 |
TFX-40×* |
|||||
|
TF-63×*L- |
63 |
25 |
TFX-63×* |
|||||
|
TF-100×*L- |
100 |
32 |
TFX-100×* |
|||||
|
TF-160×*L- |
160 |
40 |
TFX-160×* |
|||||
|
TF-250×*L- |
250 |
50 |
法兰 |
TFX-250×* |
||||
|
TF-400×*L- |
400 |
65 |
TFX-400×* |
|||||
|
TF-630×*L- |
630 |
90 |
TFX-630×* |
|||||
|
TF-800×*L- |
800 |
TFX-800×* |
||||||
|
TF-1000×*L- |
1000 |
TFX-1000×* |
||||||
|
TF-1300×*L- |
1300 |
TFX-1300×* |
||||||
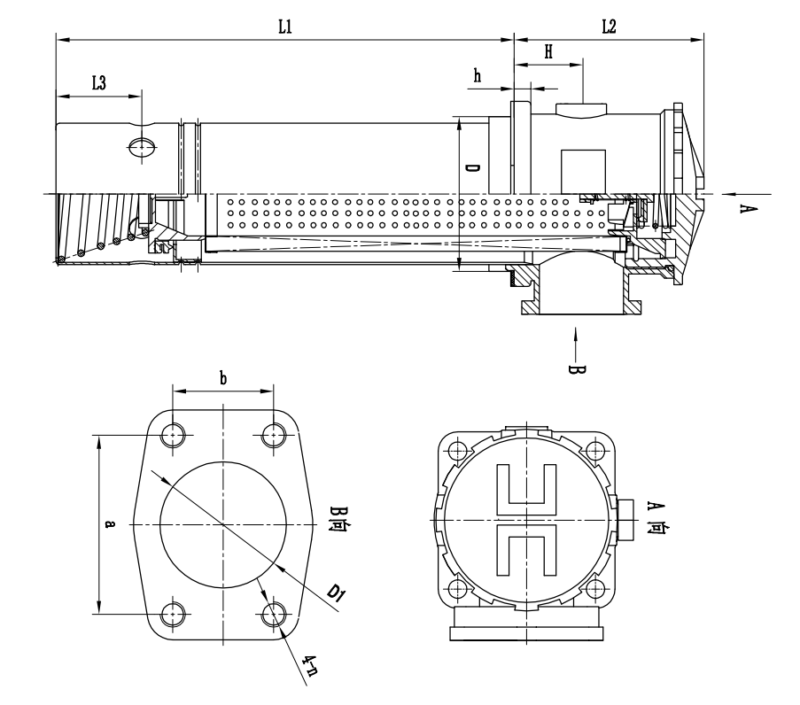
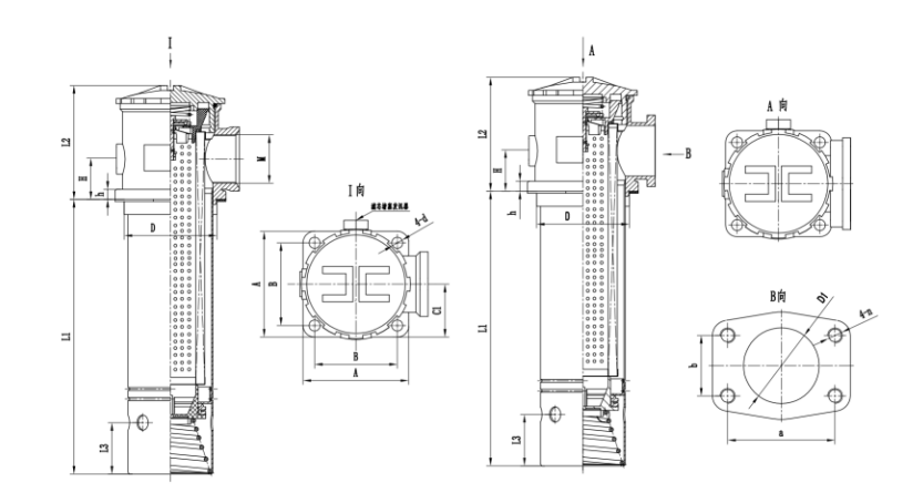
五、连接尺寸
表一:TF-25 ~160螺纹式(出油口螺纹连接)
|
型号 |
尺寸(mm) |
|
|||||||||
|
|
L1 |
L2 |
L3 |
H |
M |
D |
A |
B |
C1 |
h |
d |
|
TF-25×*L- |
93 |
78 |
36 |
25 |
M22×1.5 |
Ф62 |
80 |
60 |
45 |
9.5 |
Ф9 |
|
TF-40×*L- |
110 |
|
|
|
M27×2 |
|
91 |
70.7 |
54 |
|
|
|
TF-63×*L- |
138 |
98 |
40 |
33 |
M33×2 |
Ф75 |
|
|
|
10 |
|
|
TF-100×*L- |
188 |
|
|
|
M42×2 |
|
|
|
|
|
|
|
TF-160×*L- |
200 |
119 |
53 |
42 |
M48×2 |
Ф91 |
105 |
81.3 |
62 |
12 |
Ф11 |
|
型号 |
尺寸(mm) |
|||||||||||||
|
L1 |
L2 |
L3 |
H |
D1 |
D |
a |
b |
n |
A |
B |
C1 |
h |
d |
|
|
TF-250×*F- |
270 |
120 |
53 |
42 |
Ф50 |
Ф91 |
70 |
40 |
M10 |
106 |
81.3 |
72.5 |
10.5 |
Ф11 |
|
TF-400×*F- |
275 |
141 |
60 |
50 |
Ф65 |
Ф110 |
90 |
50 |
125 |
95.5 |
82.5 |
12 |
||
|
TF-630×*F- |
325 |
184
|
54 |
65 |
Ф90 |
Ф140 |
120 |
70 |
160 |
130 |
101 |
15.5 |
||
|
TF-800×*F- |
385 |
|||||||||||||
|
TF-1000×*F- |
485 |
|||||||||||||
|
TF-1300×*F- |
680 |
|||||||||||||
|
型号 |
尺寸(mm) |
||||||||||||||
|
B1 |
L |
L1 |
h |
D1 |
H |
D |
d |
M |
B |
M1 |
t1 |
m |
t3 |
DN |
|
|
RF-60×*L- |
90 |
166 |
92 |
11 |
φ80 |
34 |
φ100 |
φ5.5 |
M27×2 |
48 |
M27×2 |
16 |
|
|
|
|
RF-110×*L- |
233 |
159 |
M33×2 |
M33×2 |
|
|
|
||||||||
|
RF-160×*L- |
120 |
209 |
120 |
11 |
φ106 |
40 |
φ135 |
φ7 |
M48×2 |
66 |
M48×2 |
20 |
|
|
|
|
RF-240×*L- |
268 |
179 |
M48×2 |
M48×2 |
|
|
|
||||||||
|
RF-330×*L- |
152 |
271 |
138 |
13 |
φ135 |
63 |
φ170 |
φ9 |
M60×2 |
85 |
M60×2 |
27 |
|
|
|
|
RF-330×*F- |
|
M60×2 |
M12 |
23 |
φ50 |
||||||||||
|
RF-500×*F- |
351 |
218 |
|
|
|||||||||||
|
RF-660×*F- |
|
411 |
243 |
13 |
φ175 |
83 |
φ220 |
φ13.5 |
|
110 |
|
|
M16 |
22 |
φ80 |
|
RF-850×*F- |
492 |
324 |
|
|
|
|
|||||||||
|
RF-950×*F- |
|
449 |
251 |
14 |
φ208 |
93 |
φ290 |
φ17.5 |
|
135 |
|
|
22 |
φ90 |
|
|
RF-1300×*F- |
573 |
332 |
121 |
|
145 |
|
|
|
φ100 |
||||||



本文网址:http://m.10100114.cn/chanpin/nongye/yeyaguolv/5.html
关键词:
上一篇:RF系列直回式回油过滤器
下一篇:XYL吸油滤清器